- What are the functions of wellhead equipment and christmas trees?
Wellhead equipment refers to christmas trees, tubing heads, casing heads and related accessories, which are oil production equipment used for suspending, supporting, controlling, regulating, etc. As key equipment in oil and gas production, the quality of its performance determines whether oil and gas wells can achieve safe and efficient production.
- What are the Relevant Design Standards for Wellhead Equipment and Christmas Trees?
1.API Spec 6A Specification for Wellhead and Christmas Tree Equipment, 2018, 21st Edition
2.ISO 10423-2022 Specification for Wellhead and Christmas Tree Equipment
3.GB/T 22513-2023 Oil and Gas Drilling and Production Equipment – Wellhead Equipment and Christmas Trees
4.API Std 6AR Repair and Remanufacture of Wellhead and Christmas Tree Equipment, 2019, 2nd Edition
5.SY/T 7694-2023 Standard for Repair and Remanufacture of Wellhead Equipment and Christmas Trees
These standards specify requirements for the performance, dimensions, functional interchangeability, design, materials, testing, inspection, welding, marking, packaging, storage, transportation, procurement, repair, and remanufacture of wellhead and christmas tree equipment for the oil and gas industry, and provide corresponding recommended practices.
The standards do not apply to field use or testing in oilfields. This specification also excludes the repair of wellhead and christmas tree equipment (except for weld repairs related to manufacturing). Tools for installation and service (e.g., running tools, test tools, cleaning tools, wear sleeves, lubricators) are not within the scope.
The specification defines requirements for four Product Specification Levels (PSLs): PSL 1, 2, 3, and 4. PSL 3G applies to the auxiliary design of PSL3 products that meet additional pneumatic testing requirements. PSL designations define technical quality requirements for different levels.
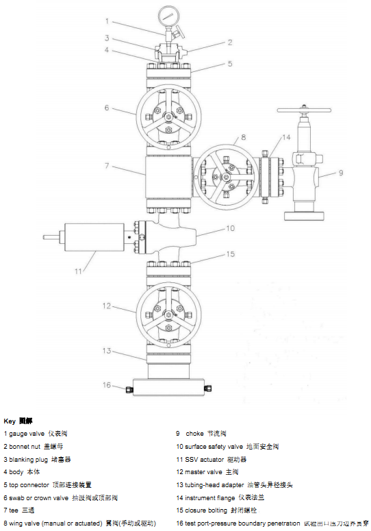
- l Typical Terminology for Wellhead Equipment and Christmas Trees
Typical Terminology for Wellhead Assembly
Post time: Oct-29-2025











5-1203 Dahua Digital Industrial Park Tiangu 6th Road,Hi-tech development Zone Xi'an, China
86-13609153141